GUANGZHOU HAOZHI INDUSTRIAL CO., LTD.
Machining center series
Engraving and Milling Spindle
Dental Milling Spindle
Rotary Table
Reducer
Core functional parts of the robot
PCB Spindle
Glass Grinding Spindle
Belt Driven and Direct Driven Spindle
Super Finish Spindle
Motorized spindle series for drilling and tapping center
Hydraulic static spindle series
Grinding Spindle
Lathe Spindle
Woodworking Spindle
Tool Holder
Collet
Linear motor series
Automated fixture (outside)
Automated fixture (inside)
Digital Controls
Servo Motor
Bending machine control system
Servo Driver
Fuel cell compressor
Mainly applied for all kinds of high speed CNC machine, suitable for processing of large mould, automobile parts, aerospace parts.
1、High precision
The end inner cone face runout of CNC spindle is within 0.001 m, the vibration is within 1.0 mm/s, adopt HSK, BT tool holder etc, has the unique characteristics of high precision.
2、High speed
CNC spindle speed up to 30,000 RPM, provide strong support for high efficiency and high precision processing of CNC.
3、High torque
The low speed high torque characteristics of CNC spindle make heavy cutting for machining tool possible, so as to improve the working efficiency of products.
4、High configuration
CNC spindle can match high speed rotary unit, displacement sensor, vibration sensor, proximity switch, closed-loop control encoder, adopt international famous brand bearing.
5、Strong compatibility and good expansibility
CNC spindle has good compatibility, it can be widely used in all kinds of metal parts processing of high speed CNC.
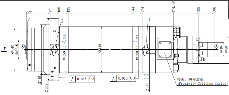
| Model | DGZX-15024/20-KFHWQVRS | |
| Motor Type | (Asynchronous) | |
| Power(S1) (kW) | 20 | |
| Power(S6-40%) (kW) | 30 | |
| Torque (S1) (Nm) | 30.7 | |
| Torque(S6-40%) (Nm) | 46 | |
| Max. Speed (rpm | 24,000 | |
| Bearings lubrication | Oil-air | |
| Tool holder | HSK-A63 | |
| Tool unclamping unit | Oil cylinder | |
| Tool outer coolant | Water/Oil/Oil mist/air | |

Please fill in the details required, and we will reply to you as soon as possible.